摘要
针对较低级联数的多电平电流源变流器,为减小开关损耗和降低谐波分量,引入一种基于低频与高频混合调制策略的单相多电平电流源变流器的拓扑。低频单元由共享直流电流源的m个H桥子??榧读?各子??槠骄峙渲绷髟茨芰?采用最近电平调制;低频单元用来消除最近电平调制单元输出阶梯波中的谐波分量,采用脉宽调制;该方法综合了最近电平调制和脉宽调制的优点。对所提拓扑的工作原理、均流算法及混合调制策略进行了深入分析,并进行相应的仿真和实验验证。仿真和实验结果表明所引入拓扑能显著的降低谐波含量,同时减小开关损耗,由此验证了所提拓扑和控制方法的有效性和可行性。
引言
随着工业发展的需求和全控型功率器件的进步,大功率变流器在国民经济生产中的应用越来越广泛。当前,电压源变流器的直流侧储能单元电容在体积、成本以及储能效率方面存在显著优势,使得电流源变流器(current source inverter,CSI)的受关注程度较低。但CSI具有直流侧储能单元的寿命较长,能够直接对输出电流进行控制等优点;且同一桥臂允许直通,使其具备短路?;つ芰1-2]。日后超导磁储能系统[3-4](superconductive magnetic energy storage,SMES)的发展还将解决电感储能效率这一关键问题,因此,CSI具有广阔的应用前景。
目前,对多电平电流源变流器(multilevel current source inverter,MCSI)的研究主要集中在电路拓扑构造和调制方法上。MCSI拓扑主要有直接式[5-7]和级联式[8-9]2种,直接式MCSI通过合理的开关组合获得多电平的输出电流,其缺点是随着电平数的增加,找到一种合理的开关组合方式比较困难,且不能简单采用常规的调制方法;而级联式MCSI通过叠加多个CSI单元的输出得到多电平电流,易于扩展到更多电平和引入优秀的调制方法。
MCSI的调制方法[10]主要从多电平电压源变流器“移植”而来,按开关频率可分为高频和低频2类。高频调制输出电流谐波含量低,但开关损耗较
大,主要有载波移相脉宽调制(carrier phase shifting sine pulse width modulation,CPS-SPWM)和空间矢量脉宽调制(space vector pulse width modulation,SVPWM),其中SVPWM算法复杂度随电平数的增多大幅增加,研究限于5电平以下。低频调制开关损耗较小,但谐波次数较低、含量较大,且动态响应差,主要有阶梯波调制和特定谐波消除调制。目前最近电平逼近调制[11](nearest level modulation,NLM)这种运算量小的调制方法还没有应用在MCSI上,且都采用单一的高频调制或低频调制。
当前对于MCSI的研究主要是理想状态下的开关设计,对于分流电感的均流问题研究较少。]提出MCSI使用载波移相调制时通过交换载波实现均流,该方法为开环控制,精度低。文献[13]提出使用SVPWM调制时通过冗余矢量分配实现均流,限于算法复杂度,比较适合5电平电流源变流器。文献[14]提出的调制波自适应修改方法会增大输出电流的畸变率。文献[15]将排序算法用于采用CPS-SPWM的模块化多电平电流源变流器中,该算法不受电平数影响,易于扩展,动态性能好。
针对多电平电流源变流器拓扑以及调制方法方面的优缺点,本文引入了基于NLM与PWM混合调制的级联式拓扑,该拓扑适合较少电平MCSI。NLM单元子??楣灿弥绷鞯缌髟?PWM单元子??橛隢LM单元并联,低频+高频的调制组合综合了2种调制方法分别在开关损耗和谐波含量方面的优点。低频??椴捎门判蛩惴ㄆ胶飧鞣至鞯绺猩系牡缌?保证变流器的正常工作。高频PWM调制模块起到补偿低频??槭涑龅缌餍巢?降低谐波畸变率的作用。最后在Matlab/Simulink中对本文所提出的拓扑以及控制算法进行仿真验证并采用dSPACE控制器进行硬件实验,结果表明本文所提拓扑以及控制算法是行之有效的。
电路拓扑及工作原理
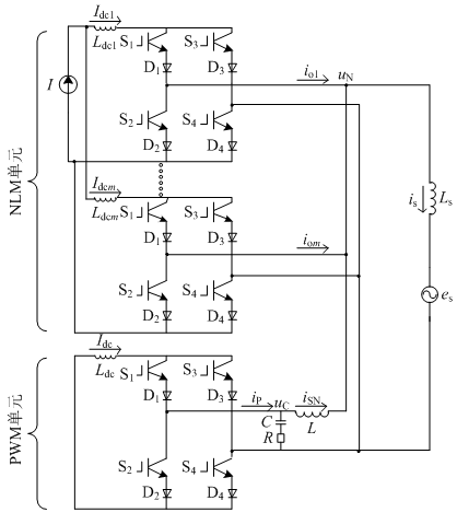
本文引入的基于单相H桥的级联电流源变流器系统如图1所示,系统的NLM单元由m个子??榧读钩?每个子??橛煞至鞯绺泻?个H桥单元组成,共享一个直流电流源,PWM单元是独立的H桥子???起到消除谐波的作用。
图1中:I为变流器NLM单元直流侧电流源电流;IdcmIdcm(m为正整数)为NLM单元子??橹绷鞑嗟缌?iomiom为NLM单元子??槭涑龅缌?IdcIdc为PWM单元直流侧电流;iPiP为PWM单元交流侧输出电流;iSNiSN为PWM单元输出补偿电流;iSiS为网侧电流;eSeS为电网电压;uNuN为交流侧公共连接点电压;uCuC为PWM单元交流侧电容电压;LdcmLdcm为NLM单元直流

图1 主电路拓扑结构
侧分流电感;LdcLdc为PWM单元直流侧电感;LSLS为连接电感;L、C、R分别为PWM单元滤波电感和电容以及无源阻尼电阻。
为使NLM单元直流电流源的能量平均分配在m个子??樯?应满足
Idcm=I/m=I1Idcm=I/m=I1 (1)
式中I1为各子??榉至鞯绺欣砺鄣缌髦?。
则单个子模块的输出电流值iomiom可表示为
iom=σI1iom=σI1 (2)
式中σσ为开关函数,由各个子??楣β势骷牡纪ㄇ榭鋈范?如表1所示。

表1 子??楣ぷ髯刺?/p>
NLM单元的输出总电流等于各个子??槭涑龅缌髦蚷N,可表示为
iN=∑iomiN=∑iom (3)
NLM调制策略
NLM控制算法的基本思想是:通过瞬时电平叠加生成的阶梯波来逼近正弦调制波,N电平电流源变流器最近电平调制下的原理图如图2所示。
图2中,输出电流波形f(t)f(t)为奇函数,且f(t)=f(T/2−t)f(t)=f(T/2−t),即f(t)f(t)关于T/4偶对称,第一个1/4周期各时间区间投入子??槭笆涑鲎艿缌髦等绫?所示。

图2 NLM原理图

表2 各时间区间投入子??槭笆涑鲎艿缌髦?/p>
理论上为了使阶梯波尽可能地逼近正弦调制波,应通过约束F=min∫(f(t)−g(t))2dtF=min∫(f(t)−g(t))2dt求出最优的子模块投入个数和切换时刻tktk(k=1,…,N),但该方法需先离线求解,因此本文选择对正弦参考信号采用就近取整(round函数)的方法,来确定不同时刻投入子??榈母鍪?具有可在线计算、动态响应快等优点。
设调制波g(t)=Nsin(ωt)g(t)=Nsin(ωt),则阶梯波f(t)f(t)为
f(t)=round [ g(t)]f(t)=round [ g(t)] (6)
NLM算法子??橥度敫鍪谢皇笨痰氖П泶锸轿?/p>
tk=1ωarcsin(2k−12N)tk=1ωarcsin(2k−12N) (7)
因此NLM阶梯波傅里叶级数展开,可得
f(t)=∑n=1+∞bnsin(nωt)f(t)=∑n=1+∞bnsin(nωt) (8)
其中
bn=2[(−1)n−1] π n[Ncos( π n2)−∑k=1Ncos(nωtk)]bn=2[(−1)n−1] π n[Ncos( π n2)−∑k=1Ncos(nωtk)] (9)
当n为偶数时bn=0bn=0,n为奇数时
bn=4 π ∑n=1,odd+∞∑k=1N∑r=0n1nCrn[1−(2k−12N)2]12(n−r)⋅(2k−12N)rcos π r2bn=4 π ∑n=1,odd+∞∑k=1N∑r=0n1nCnr[1−(2k−12N)2]12(n−r)⋅(2k−12N)rcos π r2 (10)
本文以4个H桥级联的NLM单元为例,可得
iN=4I1 π ∑n=1,odd+∞∑k=14∑r=0n1nCrn[1−(2k−18)2]12(n−r)⋅(2k−18)rcos π r2sin(nωt)iN=4I1 π ∑n=1,odd+∞∑k=14∑r=0n1nCnr[1−(2k−18)2]12(n−r)⋅(2k−18)rcos π r2sin(nωt) (11)
其中,基波分量的表达式为
iNf=4I1 π ∑k=14[1−(2k−18)2]12sin(ωt)iNf=4I1 π ∑k=14[1−(2k−18)2]12sin(ωt) (12)
谐波分量的表达式为
iNh=4I1 π ∑n=3,odd+∞∑k=14∑r=0n1nCrn[1−(2k−18)2]12(n−r)⋅(2k−18)rcos π r2sin(nωt)iNh=4I1 π ∑n=3,odd+∞∑k=14∑r=0n1nCnr[1−(2k−18)2]12(n−r)⋅(2k−18)rcos π r2sin(nωt) (13)
其基波和各次谐波含量的理论值如图3所示。

系统稳定性分析
NLM单元输出与电网电压频率相位相同的阶梯波电流,但本文的NLM单元级联的H桥子??槭仙?输出电流的谐波含量较大,可以等效为一个谐波电流源[16];PWM单元采用直接电流控制,相当于一个受控电流源,输出一个与NLM单元输出电流谐波分量大小相等、方向相反的补偿分量;NLM和PWM单元的输出电流叠加后的总输出电流只含有基波分量。图1所示拓扑交流侧可简化为如图4所示的等效电路图。

图4 系统等效电路图
分析图4所示系统的动态响应,可将传递结构分解为3部分,为
W1(s)=RCs+1(L+LS)Cs2+RCs+1W1(s)=RCs+1(L+LS)Cs2+RCs+1 (14)
W2(s)=LCs2+RCs+1(L+LS)Cs2+RCs+1W2(s)=LCs2+RCs+1(L+LS)Cs2+RCs+1 (15)
W3(s)=Cs(L+LS)Cs2+RCs+1W3(s)=Cs(L+LS)Cs2+RCs+1 (16)
IS(s)=W1(s)IP(s)+W2(s)IN(s)+W3(s)ES(s)IS(s)=W1(s)IP(s)+W2(s)IN(s)+W3(s)ES(s) (17)
式中:IS(s)IS(s)、IP(s)IP(s)、IN(s)IN(s)和ES(s)ES(s)分别为iSiS、iPiP、iNiN和eSeS的Laplace像函数。
根据表3参数绘制的W2(s)W2(s)的Bode图(图5),可见即使PWM单元是理想的受控电流源,iSiS依然会在ωn=1/(L+LS)C−−−−−−−−−−−√ωn=1/(L+LS)C处产生并联谐振,通过在PWM单元的电容支路串联阻尼能有效地起到抑制谐振峰的作用[17],阻尼比ξ=(R/2)C/(L+LS)−−−−−−−−−−√ξ=(R/2)C/(L+LS)。

图5 W2(s)的Bode图
图4系统的稳定性由W1(s)W1(s)、W2(s)W2(s)及W3(s)W3(s)这3部分传递函数共同决定,但当电网电压ES(s)ES(s)稳定时,可忽略其对控制系统的动态影响。因此,可以忽略W3(s)W3(s),则该系统的稳定性由W1(s)W1(s)和W2(s)W2(s)决定,根据表3的系统仿真参数绘制
系统控制策略
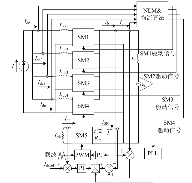
4.1 系统控制框图
本文系统的控制框图如图7所示,图7中的SM1-SM5为图1中的H桥子模块,其中SM1-SM4

图6 W1(s)和W2(s)的Bode图

图7 系统控制框图
为采用最近电平调制的低频子???各低频子模块的分流电感电流和网侧电流经过NLM调制和均流控制确定各子??榈墓ぷ髯刺?SM5为采用PWM调制的高频子模块,其通过双闭环的直接电流控制策略确定工作状态;2部分协调控制,达到降低谐波畸变率和减小开关损耗的效果。
4.2 NLM单元均流措施
由子模块的拓扑和调制原理,直流侧电压与交流侧电压可由开关函数描述,即
Ldcmdidcmdt=σuNLdcmdidcmdt=σuN (18)
idcm=1Ldcm∫σuNdt=MUN2Ldcm∫[cosφ−cos(2ωt+φ)]dtidcm=1Ldcm∫σuNdt=MUN2Ldcm∫[cosφ−cos(2ωt+φ)]dt (20)
可以看出,各子??橹绷鞑嗟绺械缌鞔笮∮胫绷鞑嗟绺兄怠⒌髦票鹊扔兄苯恿?。
NLM算法仅能计算出投入子??榈母鍪?而不能确定具体哪几个??橥度?且各个H桥子??榈耐肚惺笨毯屯度胧奔浯嬖诓钜靃18],这使得分流电感上的电流不均衡,而直流侧电感电流的均衡是保证本文变流器正常运行的必要条件。因此采用排序算法确定各个子??榈耐度牒颓谐刺?其均流的精度与采用的排序算法模型有关,且在相同的排序算法模型下,排序的频率也会影响均流的精度[19],本文所采用的排序算法其具体流程如图8所示。

图8 均流算法流程图
直流侧分流电感电流变化原则:开关函数σ=0σ=0的子???直流侧通过S1和S2或S3和S4续流,直流侧分流电感电流增大;开关函数σ=±1σ=±1的子???电流源和直流侧分流电感给PWM单元和网侧连接电感充电,直流侧分流电感电流减小;当所有子??槎纪度牖蚺月肥?则各个子??槲衷缌髦?。
4.3 PWM单元控制策略
PWM单元控制由内外2个电流环组成,外环是将直流侧参考电流值与直流侧实际电流值做差,其差值经过PI调节后乘以一个电网电压的相位得到有功参考,起到稳定PWM直流侧电流的作用。接着将有功参考量与需要补偿的谐波分量相加得到内环的电流参考值,与PWM单元的输出电流iSNiSN相减,经PI环节组成电流内环,实现对输出谐波补偿电流的跟踪控制。为抑制IdcIdc波动对控制响应的影响,内环的PI输出应除以IdcIdc进行单位化。PWM单元的忽略电网电压扰动的简化双环传递函数如图9所示,其中,PI1(s)和PI2(s)为PI控制器的传递函数,KPWM为变流器的比例增益,ζζ为调制比。
因此,可以忽略W3(s)W3(s),则该系统的稳定性由W1(s)W1(s)和W2(s)W2(s)决定,根据表3的系统仿真参数绘制
仿真与实验验证
5.1 仿真验证
为验证所提出方法的有效性,本文在Matlab/Simulink中搭建了电流源变流器并网的仿真模型。系统仿真参数如表3所示。

表3 系统仿真与实验参数
图10(a)为NLM单元输出的阶梯波形,可以看出该阶梯波由4个H桥的输出电流叠加而成,总共为9电平。由于NLM单元并联的H桥子模块数较少,输出电流的电平数不够多,降低谐波的效果不是很显著,其谐波畸变率达到了9.48%(图9(b)),这与理论分析的THD值(图3)基本上一致,因此需要在变流器的交流侧并联一个PWM单元,起消除阶梯波中谐波的作用,进一步地改善电流波形。
本文采用NLM+PWM的混合调制策略,
图11(a)为NLM单元与PWM单元的输出电流叠加后总的输出电流波形,可以看出,NLM+PWM单元总的输出电流与正弦波的拟合度更高。从其谐波频谱分析图(图11(b))可知,各次谐波都有减小,其总的THD=2.73%,与单纯的阶梯波输出相比其谐波畸变率得到了明显改善。
图12为PWM单元输出的补偿电流波形,其与NLM单元输出阶梯波中的谐波分量大小相等、方向相反,起到了降低输出电流谐波畸变率的作用。
图13(a)为NLM单元子??榭睾?图13(b)为NLM单元直流侧分流电感上的电流波形,两图处于同一时间轴坐标,由于NLM单元输出电流的

图10 NLM单元输出电流波形及谐波分析

图11 NLM+PWM单元叠加后输出电流波形及谐波分析

图12 PWM单元输出的补偿电流波形
对称性,取1/4周期分析,其余3/4周期类似。可以看出当NLM单元投入0个子??槭?4个子??槎寂月?各子??槲衷缌髦?投入1个子模块时,投入的那1个子??榈绺械缌骷跎?其余
3个子??榈绺械缌髟龃?投入2个子模块时,投入的那2个子??榈绺械缌骷跎?其余2个子模块电感电流增大;投入3个子??槭?投入的那3个子??榈绺械缌骷跎?其余1个子??榈绺械缌髟龃?投入4个子??槭?4个子??樽刺恢?各子模块维持原电流值。
图14为PWM单元直流侧的电感电流波形,经电流外环PI控制后,直流侧电流在50 A周围上下波动,基本稳定在了50 A,确保了装置的可靠运行并平稳地输出谐波补偿电流。

图14 PWM单元直流侧电流波形
5.2 实验验证
为验证所提拓扑和控制方法的有效性,根据
图1拓扑结构搭建实验样机,由于实验条件限制,搭建的实验样机NLM单元采用2个子???其公共直流侧采用10 A的直流电流源,具体实验参数如表3所示。实验装置使用dSPACE作为控制系统,dSPACE处理器板采用DS1006,A-D采样板选用模数转换板DS2003,DS5101板卡负责产生驱动信号。
图15(a)从上至下依次为系统网侧电压eS、NLM单元和PWM单元输出电流叠加后的网侧电流iS、NLM单元输出电流iN和PWM单元输出的补偿波形iSN。图15(b)为网侧电能参数,功率因数为0.97,基本实现了单位功率因数。图15(c)为iN的THD,由于实验只采用2个H桥级联的NLM单元,其THD较大,达到了16.5%。图15(d)为iS的THD图,经过PWM单元的谐波补偿作用,不仅使iS实现了正弦化,而且THD降为10.7%,效果显著。

图15 系统交流侧各实验波形及其分析

图16为各子??橹绷鞑嗟缌?Idc1和Idc2这
2个NLM单元的子??榈缌魍ü判蛩惴ㄊ迪至司餍Ч?PWM单元的直流侧电流Idc通过内外电流的双闭环控制也实现了稳流。
结论
本文引入的NLM+PWM的混合调制拓扑,综合了NLM和PWM调制的优点,NLM单元的工作频率相对较低,减小了功率器件的开关损耗;PWM单元则对输出电流阶梯波的谐波分量进行了有效地补偿,减少了输出电流的谐波含量??刂品椒ǚ矫鍺LM单元直流侧采用排序算法,有效地实现了直流侧分流电感电流的平衡;PWM单元采用直接电流控制方法,具有较好的响应速度和控制精度。仿真和实验结果有效地验证了所提拓扑及其控制方法。柴油发电机组