5月17日,国家工信部发布《新能源汽车动力蓄电池回收利用溯源管理暂行规定》(征求意见稿),向社会公开征求意见。规定要求对动力电池生产销售维修回收梯次利用等信息上传,且要求汽车生产、电池生产、报废汽车回收拆解及综合利用企业应建立内部管理制度,省级工业和信息化主管部门会同同级有关部门对本地区相关企业溯源责任履行情况进行监督检查。规定拟自2018年8月1日期执行
柴油发电机组对《新能源汽车动力蓄电池回收利用溯源管理暂行规定》(征求意见稿)公开征求意见
柴油发电机组为加强新能源汽车动力蓄电池回收利用溯源管理,规范和指导各相关方履行溯源管理责任,我们组织编制了《新能源汽车动力蓄电池回收利用溯源管理暂行规定》(征求意见稿)。现向社会公开征求意见,如有意见或建议,请于2018年5月30日前反馈工业和信息化部节能与综合利用司。
柴油发电机组联系电话:010-68205365
柴油发电机组传真:010-68205363
柴油发电机组电子信箱:zyzhly@miit.gov.cn
柴油发电机组2018年5月17日
柴油发电机组附件
柴油发电机组新能源汽车动力蓄电池回收利用溯源管理暂行规定(征求意见稿)
柴油发电机组第一条 [ [ 管理总体要求] ]按照《新能源汽车动力蓄电池回收利用管理暂行办法》(工信部联节〔2018〕43 号)要求,建立“新能源汽车国家监测与动力蓄电池回收利用溯源综合管理平台”(以下简称“溯源管理平台”),对动力蓄电池生产、销售、使用、报废、回收、利用等全过程进行信息采集,对各环节主体履行回收利用责任情况实施监测。
柴油发电机组第二条 [ [ 新车型实施时间] ]自本规定施行之日起,对新获得《道路机动车辆生产企业及产品公告》(以下简称《公告》)的新能源汽车产品和新取得强制性产品认证的新能源汽车产品(含进口新能源汽车)实施溯源管理。
柴油发电机组第三条 [ [ 在生产车实施时间] ]对本规定施行之日前已获得《公告》和取得强制性产品认证的新能源汽车产品(含进口新能源汽车),延后 12 个月实施溯源管理。
柴油发电机组第四条 [ [ 已生产车实施时间] ]汽车生产企业(含进口商)对已生产和已进口但未纳入溯源管理的新能源汽车产品,在本规定施行 12 个月内将相关溯源信息补传至溯源管理平台。
柴油发电机组第五条 [ [ 梯次利用产品实施时间] ]自本规定施行之日起,对梯次利用电池产品实施溯源管理。
柴油发电机组第六条 [ [ 编码标识要求] ]电池生产、梯次利用企业应按照《关于开通汽车动力蓄电池编码备案系统的通知》(中机函〔2018〕73 号)要求,进行厂商代码申请和编码规则备案,对本企业生产的动力蓄电池或梯次利用电池产品进行编码标识。
柴油发电机组第七条 [ [ 申请程序要求和信息公开] ]汽车生产、报废汽车回收拆解及综合利用企业应在溯源管理平台申请账号(申请材料见附表 1、2)。各企业应在溯源管理平台上传溯源信息(见附表 3)。汽车生产企业应在溯源管理平台上传回收服务网点信息(见附表 4),并在企业网站向社会公布。
柴油发电机组第八条 [ [ 生产信息上传要求] ]汽车生产企业应在配发国产新能源汽车出厂合格证后 7 个工作日内,进口商应在进口新能源汽车通关并完成检验检疫后 7 个工作日内上传信息。
柴油发电机组第九条 [ [ 销售信息上传要求] ]与汽车生产企业合作的销售商应在车辆销售后及时向汽车生产企业报送记录信息,并告知车辆所有人记录信息发生变更时更新记录信息的要求与程序。汽车生产企业应在车辆销售上牌和车辆所有人记录信息更新后 15 个工作日内上传信息。
柴油发电机组第十条 [ [ 维修信息上传要求] ]与汽车生产企业合作的维修商、电池租赁企业等应在动力蓄电池维修、更换后及时向汽车生产企业报送信息。汽车生产企业应在动力蓄电池维修、更换后 15 个工作日内上传溯源信息。
柴油发电机组第十一条 [ [ 回收信息上传要求] ]回收服务网点应在废旧动力蓄电池回收、移交后,向汽车生产企业报送信息。汽车生产企业应在废旧动力蓄电池回收、移交后 15 个工作日内上传信息。
柴油发电机组第十二条 [ [ 其他相关方信息上传要求] ]与汽车生产企业未合作的新能源汽车销售商、维修商、租赁商等,应按照第九条规定,通过溯源管理平台提交申请,并按照第九、十条规定时限,向溯源管理平台规范上传信息。
柴油发电机组第十三条 [ [ 报废信息上传要求] ]报废汽车回收拆解企业应在接收报废新能源汽车,并出具《报废汽车回收证明》后15 个工作日内上传信息;在废旧动力蓄电池拆卸并移交后15 个工作日内上传信息。
柴油发电机组第十四条 [ [ 梯次利用信息上传要求] ]梯次利用企业应在梯次利用电池产品出库后 15 个工作日内上传信息;在梯次利用电池生产、检测、使用等过程中产生的废旧动力蓄电池,应在其回收及移交后 15 个工作日内上传信息。
柴油发电机组第十五条 [ [ 再生利用信息上传要求] ]再生利用企业应在接收废旧动力蓄电池后 15 个工作日内上传信息;在完成再生利用及最终处理后 15 个工作日内上传信息。
柴油发电机组第十六条 [ [ 企业溯源履责要求] ]汽车生产、电池生产、报废汽车回收拆解及综合利用企业应建立内部管理制度,加强溯源管理,确保溯源信息准确真实。
柴油发电机组第十七条 [ 地方监督管理要求]省级工业和信息化主管部门会同同级有关部门对本地区相关企业溯源责任履行情况进行监督检查。
柴油发电机组第十八条 [ [ 术语定义引用] ]《新能源汽车动力蓄电池回收利用管理暂行办法》有关术语和定义适用于本规定。
柴油发电机组第十九条 [ [ 施行时间] ]本规定自 2018 年 8 月 1 日施行。
柴油发电机组附表:1.企业基本情况表
柴油发电机组2.接口密钥申请表
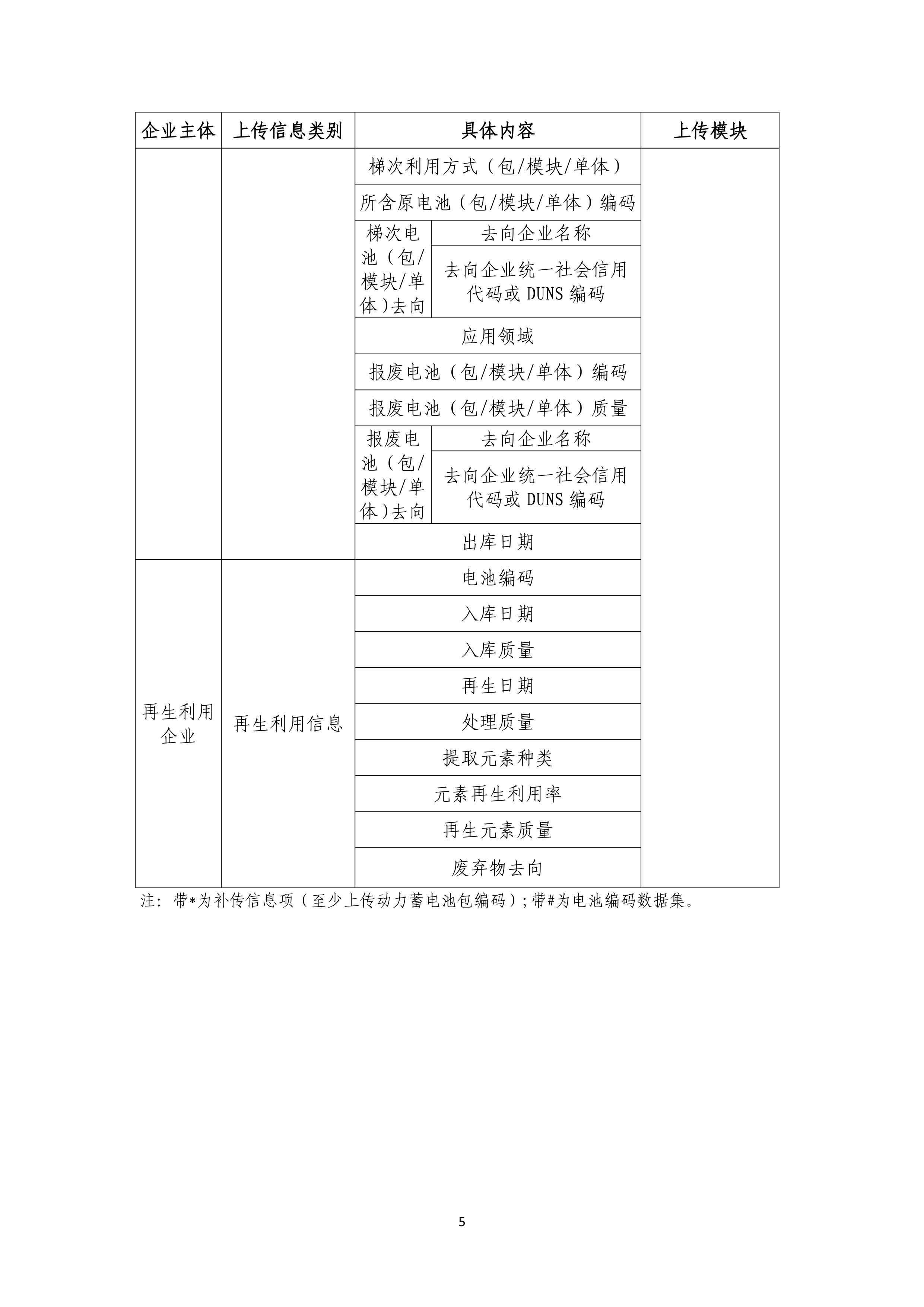
柴油发电机组3.溯源信息列表
柴油发电机组4.回收服务网点信息申报表
柴油发电机组




